ありのままに生きる

社会不適合なぼっちおやじが、自転車、ジョギング等々に現実逃避する日々を綴っています。

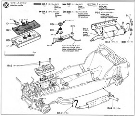
 エンジン、エキゾーストパイプ、マフラーの取付け

lupoGTI2007-01-21



タミヤ 1/12マスターズコーチワークシリーズNO.2 ケーターハムスーパーセブンBDR サイクルフェンダースペシャ





 エンジン、エキゾーストパイプ、マフラーの取付けをした。エンジンとマフラーが載って、だいぶ車らしい感じになってきた。マフラーの取り付けは、指定のネジだとどうしても長さが足りなかった。仕方がないのでもう少し長い、別のネジにした。説明書には、ネジは少し余分に入っていると書いてあるので、たぶん大丈夫だろう。続きはまた来週の土、日にやろう。


↓エンジン、エキゾーストパイプの取付け



↓マフラーの取付け